|
氣體流量計-----無錫優量儀表之旗艦產品 |
|
中華人民共和國計量器具生產許可證 蘇制 02000305號?
氣體流量計執行標準: JJG1029-2007 |
|
| |
智能渦街流量計:(氣體流量計)
優點:
1、模仿德國先進的線路和軟件,重復性好
2、免調試,易安裝,質優價低
3、測量精度高,量程比達20:1
4、工作溫度高,介質溫度可達350℃
5、結構牢固,機械強度高,經久耐用
6、無運動部件,壽命遠比渦輪流量計長
7、發生體體積小,遠比孔板流量計節能
8、表體采用不銹鋼材料,耐腐蝕性強
|

耐溫達450℃、Φ65mm的渦街(實物照片)
未經無錫優量公司許可,防偽圖片不得使用
●優量公司專為電廠的350℃以上過熱蒸汽設計超高溫探頭,選用特種高溫材料和巧妙結構進行特殊工藝封裝,耐溫達450℃。在高溫的領域里,成為國內技術較領先的少數廠家之一。
概述:
渦街流量計是速度式流量計的一種,它以卡門渦街理論為基礎,采用壓電晶體檢測流體通過管道內三角柱時所產生的旋渦頻率,從而測量出流體的流量。渦街流量計廣泛應用測量的介質有:蒸汽、氣體、液體、油類等.
優點:
1、便于現場安裝的人性化壁掛設計。
2、溫度、壓力、密度、流量多物理量循環
3、停電記錄功能和歷史記錄查詢
|
|
| |
精品級渦街流量計/蒸汽流量計,每套帶第三方檢測證書;優量流量計,就是不一樣 |
|
| |
您的流量計,準嗎?
國家認可制造資質,代辦第三方測試檢定,流量計放心! |
|
| |
無錫優量,具備國家認可生產資質,通過第三方省級權威認證,讓用戶放心 |
無錫優量,具備國家認可的生產資質,計量器具生產許可證:蘇制02000305號.
購買時, 直接來電0510-8202 6888咨詢,謹防假冒,杜絕偽劣. |
|
|
計量器具許可證:蘇制02000305號-3
LUGB渦街流量計 |
計量器具型式批準證書
(江蘇省質量技術監督局發證)
LUGB渦街流量計 |
|
| |
|
| |
|
| |
四款 氣體流量計可選----總有一款適合你
免費技術咨詢:0510-82026888 81027888 |
熱式氣體質量流量計
(優勢:抗震動、微小流量、無直管段)
|
旋渦流量計/溫壓補償一體型
(測量各種氣體的標況流量)
|
特點:
1、
抗震動,適合震動管道
2、
微小流量 ,超低流量下限
3、
寬量程比達到100:1
|
特點:
1、安裝簡單
2、溫度壓力雙補償,自動換算成標況體積
3、3.6V鋰電池/24VDC供電,安全防爆
|
渦輪氣體流量計(DN80mm)
測量各種氣體的工況體積
|
金屬轉子氣體流量計(DN15mm)
應用流量≤3.0 m3/h的管道
|
特點:
1、體積小,節約空間
2、鋰電池供電,安全防爆 |
特點:
1、液晶顯示,安裝方便
2、在輕松地微小流量的管道上測量氣體 |
|
| |
|
| |
歡迎訂制非標件、高標件---特種蒸汽氣體流量計
選型/技術咨詢:0510-82026888 8311828 |

DN100 6.4MPa高壓渦街流量計 |

DN40 6.4MPa高壓渦街流量計 |
|
| |
標況氣體流量計——自動換算成標況體積 |
溫壓補償分體型/四件套(測量各種氣體的標況流量) |
| |
測量原理:
當管道中流體介質通過旋渦發生體(三角柱)時,由于局部流速加速而產生旋渦現象(如圖一),此旋渦分成兩列交替地出現,這種旋渦列被稱為卡門渦街
卡門渦街的釋放頻率與三角柱寬度尺寸和流體的流動速度有關,而與介質的溫度、壓力等特性參數無關。可用下式表示:
f=St·V/d ……………………(1)
式中: f—卡門渦街的釋放頻率
St—斯特羅哈爾(Strouhal)數
V—介質流速
d—三角柱的寬度
斯特羅哈爾數是渦街流量計的重要參數,它只與介質的雷諾數Re有關。只要管道內介質的雷諾數保持在2×104至7×106范圍內,斯特羅哈爾數S便保持為一個常數,這樣,便可通過測量旋渦頻率信號檢測出流體介質的流速,再通過介質的流速計算出介質的流量。
測量氣體:
煤氣、空氣、氫氣、天然氣、氮氣、液化石油氣、過氧化氫、煙道氣、甲烷、丁烷、氯氣、燃氣、沼氣、二氧化碳、氮氣、乙炔、光氣、氧氣、壓縮空氣、氬氣、甲苯、苯、二甲苯、硫化氫、二氧化硫、氨氣等 |
|
| |
1、飽和蒸汽流量計(110-220度)----------溫度補償高精度的質量流量 |
飽和蒸汽的密度是隨溫度或壓力的變化而變化的,必須即時自動跟蹤補償,否則,誤差特別大,優量公司推出這款高精度產品供選擇。
優點:1、變送轉換器耐溫超過70度2、分體型方便遠程抄表3、適應室外惡劣環境工作 |
|
| |
2、過熱蒸汽流量計(180-350度)----------溫壓雙補償的質量流量 |
過熱蒸汽的密度是隨溫度和壓力的變化而變化的,必須即時自動跟蹤補償,否則,誤差特別大,優量公司推出這款高精度產品供選擇。
優點:1、選用超高溫探頭,耐溫超300度
2、在線顯示溫度、壓力、流量、密度
3、可定制400度以上超高溫傳感器 |
|
| |
標況氣體流量計——自動換算成標況體積 |
溫壓補償一體型 (適用:各種氣體)
優點: 1、自動換算成標況體積
2、24VDC供電,安全防爆 |
安裝現場示意圖
溫壓補償一體型
(適用:各種氣體)
|
|
| |
工況氣體流量計——多品種、多功能 |
|
| |
|
|

常溫一體型
(適用:各種氣體、液體) |

常溫分體型
(適用:各種氣體、液體) |

插入式渦街流量計
(適用:DN300mm以上的管道) |
優點:
1、體積小,節約空間
2、鋰電池供電,安全防爆 |
優點:
1、高靈敏度探頭,可測超低流量
2、分體型方便遠程抄表 |
優點:
1、成本低廉,安裝方便
2、阻力小,節能 |
|
| |
專業生產 全系列智能氣體流量計----------產品更全,品種更多 |
| |
|
| |
技術參數: |
公稱口徑: |
DN15、DN20、DN25、DN32、DN40、DN50、DN65、DN80、DN100、DN125、 |
| |
DN150、DN200、DN250、DN300、DN350、DN400、DN450、DN500、DN600。 |
|
◆ 適用范圍:氣體(空氣、氧氣、氮氣、煤氣、天燃氣、化學氣體等)、液體(水、高溫水、油、食品液、化學液等)、蒸汽(飽和蒸汽、過熱蒸汽)。
◆ 可測介質溫度:-40℃~280℃、-40℃~350℃。
◆ 公稱壓力:≤1.6MPa 、≤2.5MPa 、≤4MPa。
◆ 精度等級:液體1級、氣體、蒸汽1.5級。 |
輸出信號:
電壓脈沖:低電平≤1V,高電平≥6V,脈沖寬0.4ms,負載電阻>150Ω。
標準電流:4-20mA,轉換精度±0.5%滿度值,負載電阻24V-500Ω。
現場液晶顯示:瞬時流量6液晶位顯示(m3/h),轉換精度±0.1%;累積流量8位顯示(m3),轉換精度±0.1%;
◆ 供電電源:
脈沖輸出:+24VDC,4-20mA輸出
現場液晶顯示:+24VDC 或3.6V 鋰電池。
◆ 環境溫度:電壓脈沖輸出:-30℃—+65℃;4-20mA輸出:-10℃—+55℃;現場液晶顯示:-25℃—+55℃
◆ 表體材料:不銹鋼(1Cr18Ni9Ti) |
精美的模鑄渦街發生體 |
|
|
| |
| 智能一體型渦街流量計(本安防爆型、鋰電池DC3.6V供電/DC24V供電) |
DN65mm(實物照片)
未經無錫優量公司許可,防偽圖片不得使用
|
適用:
各種氣體(壓縮空氣、熱風、氧氣、氮氣、煤氣、天然氣、乙炔)
各種液體(純水、去離子水、軟水、乙醇、甲苯、酚類、液氨)
|
智能液晶雙排顯示表頭(實物照片)
未經無錫優量公司許可,防偽圖片不得使用 |
|
| |
無錫優量-----------為您量身定制 非標產品
|
| |
|
| |
| 標況流量: |
|
結構形式 |
通徑(mm) |
工況流量范圍(m3/h)
|
液 體 |
氣 體 |
蒸 汽 |
|
滿 管 式
|
15 |
0.3-3.8 |
3.8-38 |
4.4-44 |
20 |
0.5-6.2 |
6.7-67 |
7.9-79 |
15 |
0.9-10 |
10-100 |
12-120 |
32 |
1.6-16 |
16-160 |
19-190 |
40 |
2.5-26 |
25-250 |
30-300 |
50 |
3.5-38 |
40-400 |
50-500 |
65 |
5.2-65 |
68-680 |
85-850 |
80 |
8-100 |
100-1000 |
120-1200 |
100 |
12-150 |
160-1600 |
190-1900 |
125 |
20-250 |
230-2300 |
280-2800 |
150 |
32-380 |
380-3800 |
440-4400 |
200 |
50-620 |
670-6700 |
790-7900 |
250 |
80-1150 |
1060-10600 |
1200-12000 |
300 |
130-1400 |
1540-15400 |
1780-17800 |
|
插 入 式 |
400 |
180-2700 |
2700-27000 |
3200-32000 |
500 |
280-4200 |
4240-42400 |
4950-49500 |
600 |
410-6100 |
6100-61000 |
7100-71000 |
700 |
580-7300 |
7800-78000 |
9300-93000 |
800 |
720-10800 |
10850-108500 |
12660-126600 |
900 |
970-12000 |
13000-130000 |
15500-155000 |
|
| |
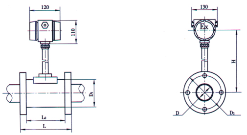
基本結構和安裝尺寸: |
 |
渦街傳感器 基本結構剖面圖 |
| |
|
| |
外形尺寸: |
|
| |
口徑(D) |
管道規格 |
H |
L |
L0 |
D1 |
D2 |
15 |
Φ19×1.5 |
290 |
116 |
80 |
68 |
135 |
20 |
Φ26×3 |
290 |
116 |
80 |
68 |
135 |
25 |
Φ32×3.5 |
290 |
116 |
80 |
68 |
135 |
32 |
Φ39×3.5 |
290 |
116 |
80 |
68 |
135 |
40 |
Φ49×4.5 |
295 |
120 |
80 |
80 |
140 |
50 |
Φ59×4.5 |
300 |
124 |
80 |
88 |
145 |
65 |
Φ74×4.5 |
308 |
128 |
80 |
105 |
165 |
80 |
Φ89×4.5 |
315 |
128 |
80 |
120 |
180 |
100 |
Φ109×4.5 |
328 |
132 |
80 |
148 |
210 |
125 |
Φ133×4.5 |
340 |
137 |
85 |
174 |
235 |
150 |
Φ159×4.5 |
351 |
146 |
90 |
196 |
270 |
200 |
Φ219×9 |
378 |
169 |
105 |
250 |
325 |
250 |
Φ273×11 |
402 |
184 |
120 |
300 |
375 |
300 |
Φ325×12 |
428 |
199 |
135 |
350 |
425 |
|
| |
|
|
廠家提供的優質配對法蘭(經調質、發黑處理) |
模擬圖 |
|
| |
優量公司 -------- 快速供貨 快件發貨 |
1、智能渦街流量計有現貨。(Φ25-Φ300mm、不銹鋼材質、液晶顯示)
2、插入式渦街流量計訂貨后生產周期:5天 |
| |
渦街流量計價格--------性價比高的流量計 |
渦街蒸汽流量計價格低于孔板流量計的價格,但精度高、量程比寬、壓損為小,這些特點決定了蒸汽渦街流量計,性價比高。
蒸汽渦街流量計的安裝比孔板流量計方便,無需安裝導壓管和差壓送器。
耐高溫和耐高壓的蒸汽流量計價格,肯定會高一些。 |
1、溫度補償分體型渦街流量計價格:?元/套(三件套)
2、溫壓補償分體型渦街流量計價格:?元/套(四件套)
3、溫度補償一體型渦街流量計價格:?元/套(鋰電池供電)
4、溫壓補償一體型渦街流量計價格:?元/套(鋰電池供電)
5、溫度補償一體型渦街流量計價格:?元/套(24VDC供電)
6、溫壓補償一體型渦街流量計價格:?元/套(24VDC供電) |
| |
請購買正宗的無錫優量公司產品,注意產品標識和包裝 |
|
|
|
優量公司專用標簽 |
優量公司彩色說明書 |
優量公司專用包裝箱 |
|
| |
如需更詳盡的使用說明書和咨詢技術問題
請來電:0510-8202 6888 / 8311 8288 |
| |
IC插卡預收費/遠程電腦抄表---節約人工
無錫優量 技術:0510-83118288 82026888 |
|
| |
無錫優量公司 數據采集系統 (實現自動抄表,自動生成報表)
五大特點:
1、實現下面流量計的數據和上面計算機顯示的采集數據完全一樣,沒有二次積算,避免貿易供需雙方矛盾產生.
2、自動抄表,節約人工,足不出戶.
3、實時計錄,歷史數據查詢.
4、隨時分析流量數據,便于生產和調度.
5、安裝簡單,無需調試,突破傳統專業人員的復雜調試,普通人員也能輕松安裝.
技術咨詢: 0510-8202 6888 8311 8288 QQ: 398931544 傳真:0510-85620996 83111131 |
| |
|
| |
| 流量數據實時曲線 |
|
| |
|
| |
無錫優量------善心做人,良心做事 |
|
|
|
順天理,有良知
|
環境保護,愛護家園
|
節能低碳的生活更快樂
|
|
| |
| |
| |
|
| |
| |
市 場 策 劃 部 —— 讓我們的優量企業更適應市場 |
|
|
|
根據市場研發新產品 |
在新市場中釋放企業競爭力 |
探索客戶的需求 |
|
|
| |